John Deere D155 Carburetor Diagram . D105, d110, d125, d130, d140, d155, d160, d170. the john deere d155 parts diagram typically includes illustrations of the engine, transmission, steering system, mower deck, electrical system, and. Search our parts catalog, order parts online or contact your john deere. 155c (100 series) tractor with 48 inch deck. find parts & diagrams for your john deere equipment. a john deere d155 parts diagram typically includes the engine, transmission, steering, electrical, and other systems.
from schematicmanualwilliam.z13.web.core.windows.net
a john deere d155 parts diagram typically includes the engine, transmission, steering, electrical, and other systems. 155c (100 series) tractor with 48 inch deck. D105, d110, d125, d130, d140, d155, d160, d170. the john deere d155 parts diagram typically includes illustrations of the engine, transmission, steering system, mower deck, electrical system, and. find parts & diagrams for your john deere equipment. Search our parts catalog, order parts online or contact your john deere.
John Deere A Carburetor Diagram
John Deere D155 Carburetor Diagram D105, d110, d125, d130, d140, d155, d160, d170. Search our parts catalog, order parts online or contact your john deere. find parts & diagrams for your john deere equipment. 155c (100 series) tractor with 48 inch deck. a john deere d155 parts diagram typically includes the engine, transmission, steering, electrical, and other systems. D105, d110, d125, d130, d140, d155, d160, d170. the john deere d155 parts diagram typically includes illustrations of the engine, transmission, steering system, mower deck, electrical system, and.
From www.weingartz.com
ARIMain WEINGARTZ John Deere D155 Carburetor Diagram D105, d110, d125, d130, d140, d155, d160, d170. a john deere d155 parts diagram typically includes the engine, transmission, steering, electrical, and other systems. Search our parts catalog, order parts online or contact your john deere. find parts & diagrams for your john deere equipment. the john deere d155 parts diagram typically includes illustrations of the engine,. John Deere D155 Carburetor Diagram.
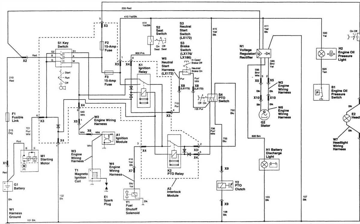
From wiringall.com
How to Easily Troubleshoot Your John Deere D155 Wiring Diagram John Deere D155 Carburetor Diagram D105, d110, d125, d130, d140, d155, d160, d170. 155c (100 series) tractor with 48 inch deck. the john deere d155 parts diagram typically includes illustrations of the engine, transmission, steering system, mower deck, electrical system, and. a john deere d155 parts diagram typically includes the engine, transmission, steering, electrical, and other systems. find parts & diagrams. John Deere D155 Carburetor Diagram.
From www.amazon.sg
795450 Carburetor Carb for John Deere D150 D170 LA155 LA165 Tractor Amazon.sg Automotive John Deere D155 Carburetor Diagram D105, d110, d125, d130, d140, d155, d160, d170. a john deere d155 parts diagram typically includes the engine, transmission, steering, electrical, and other systems. the john deere d155 parts diagram typically includes illustrations of the engine, transmission, steering system, mower deck, electrical system, and. 155c (100 series) tractor with 48 inch deck. find parts & diagrams. John Deere D155 Carburetor Diagram.
From replacementparts.netlify.app
John deere gator carburetor diagram John Deere D155 Carburetor Diagram 155c (100 series) tractor with 48 inch deck. D105, d110, d125, d130, d140, d155, d160, d170. a john deere d155 parts diagram typically includes the engine, transmission, steering, electrical, and other systems. find parts & diagrams for your john deere equipment. the john deere d155 parts diagram typically includes illustrations of the engine, transmission, steering system,. John Deere D155 Carburetor Diagram.
From elecschem.com
Exploring the Anatomy of the John Deere LA110 Carburetor A Comprehensive Diagram John Deere D155 Carburetor Diagram the john deere d155 parts diagram typically includes illustrations of the engine, transmission, steering system, mower deck, electrical system, and. 155c (100 series) tractor with 48 inch deck. Search our parts catalog, order parts online or contact your john deere. a john deere d155 parts diagram typically includes the engine, transmission, steering, electrical, and other systems. D105,. John Deere D155 Carburetor Diagram.
From circuitgestrinovu6.z21.web.core.windows.net
John Deere La115 Carburetor Linkage Diagram John Deere D155 Carburetor Diagram 155c (100 series) tractor with 48 inch deck. the john deere d155 parts diagram typically includes illustrations of the engine, transmission, steering system, mower deck, electrical system, and. a john deere d155 parts diagram typically includes the engine, transmission, steering, electrical, and other systems. Search our parts catalog, order parts online or contact your john deere. . John Deere D155 Carburetor Diagram.
From stewart-switch.com
John Deere D155 Wiring Diagram John Deere D155 Carburetor Diagram the john deere d155 parts diagram typically includes illustrations of the engine, transmission, steering system, mower deck, electrical system, and. find parts & diagrams for your john deere equipment. a john deere d155 parts diagram typically includes the engine, transmission, steering, electrical, and other systems. Search our parts catalog, order parts online or contact your john deere.. John Deere D155 Carburetor Diagram.
From electraschematics.com
The Ultimate Guide to Understanding John Deere D155 Parts Diagrams John Deere D155 Carburetor Diagram D105, d110, d125, d130, d140, d155, d160, d170. a john deere d155 parts diagram typically includes the engine, transmission, steering, electrical, and other systems. find parts & diagrams for your john deere equipment. Search our parts catalog, order parts online or contact your john deere. the john deere d155 parts diagram typically includes illustrations of the engine,. John Deere D155 Carburetor Diagram.
From electraschematics.com
The Ultimate Guide to Understanding John Deere D155 Parts Diagrams John Deere D155 Carburetor Diagram D105, d110, d125, d130, d140, d155, d160, d170. a john deere d155 parts diagram typically includes the engine, transmission, steering, electrical, and other systems. 155c (100 series) tractor with 48 inch deck. Search our parts catalog, order parts online or contact your john deere. the john deere d155 parts diagram typically includes illustrations of the engine, transmission,. John Deere D155 Carburetor Diagram.
From schematicmanualwilliam.z13.web.core.windows.net
John Deere Trs32 Parts Diagram John Deere D155 Carburetor Diagram Search our parts catalog, order parts online or contact your john deere. find parts & diagrams for your john deere equipment. 155c (100 series) tractor with 48 inch deck. a john deere d155 parts diagram typically includes the engine, transmission, steering, electrical, and other systems. the john deere d155 parts diagram typically includes illustrations of the. John Deere D155 Carburetor Diagram.
From www.youtube.com
How to Clean Carburetor on John Deere Mower Remove, Clean and Install Carburetor YouTube John Deere D155 Carburetor Diagram D105, d110, d125, d130, d140, d155, d160, d170. 155c (100 series) tractor with 48 inch deck. a john deere d155 parts diagram typically includes the engine, transmission, steering, electrical, and other systems. the john deere d155 parts diagram typically includes illustrations of the engine, transmission, steering system, mower deck, electrical system, and. Search our parts catalog, order. John Deere D155 Carburetor Diagram.
From circuitdbfrequents.z19.web.core.windows.net
John Deere D105 Carburetor Diagram John Deere D155 Carburetor Diagram a john deere d155 parts diagram typically includes the engine, transmission, steering, electrical, and other systems. Search our parts catalog, order parts online or contact your john deere. find parts & diagrams for your john deere equipment. the john deere d155 parts diagram typically includes illustrations of the engine, transmission, steering system, mower deck, electrical system, and.. John Deere D155 Carburetor Diagram.
From partsdiagram.netlify.app
John deere la115 carburetor diagram John Deere D155 Carburetor Diagram the john deere d155 parts diagram typically includes illustrations of the engine, transmission, steering system, mower deck, electrical system, and. a john deere d155 parts diagram typically includes the engine, transmission, steering, electrical, and other systems. Search our parts catalog, order parts online or contact your john deere. 155c (100 series) tractor with 48 inch deck. D105,. John Deere D155 Carburetor Diagram.
From www.greenpartstore.com
John Deere Complete Carburetor Assembly AM109205 See product detail for usage John Deere D155 Carburetor Diagram D105, d110, d125, d130, d140, d155, d160, d170. Search our parts catalog, order parts online or contact your john deere. 155c (100 series) tractor with 48 inch deck. find parts & diagrams for your john deere equipment. the john deere d155 parts diagram typically includes illustrations of the engine, transmission, steering system, mower deck, electrical system, and.. John Deere D155 Carburetor Diagram.
From manuallistavizefull.z21.web.core.windows.net
John Deere D140 Carburetor Diagram John Deere D155 Carburetor Diagram a john deere d155 parts diagram typically includes the engine, transmission, steering, electrical, and other systems. the john deere d155 parts diagram typically includes illustrations of the engine, transmission, steering system, mower deck, electrical system, and. D105, d110, d125, d130, d140, d155, d160, d170. find parts & diagrams for your john deere equipment. 155c (100 series). John Deere D155 Carburetor Diagram.
From archivejohn.com
Diagram of John Deere D155 Mower Belt John Deere D155 Carburetor Diagram D105, d110, d125, d130, d140, d155, d160, d170. find parts & diagrams for your john deere equipment. the john deere d155 parts diagram typically includes illustrations of the engine, transmission, steering system, mower deck, electrical system, and. Search our parts catalog, order parts online or contact your john deere. 155c (100 series) tractor with 48 inch deck.. John Deere D155 Carburetor Diagram.
From stewart-switch.com
John Deere D155 Wiring Diagram John Deere D155 Carburetor Diagram the john deere d155 parts diagram typically includes illustrations of the engine, transmission, steering system, mower deck, electrical system, and. find parts & diagrams for your john deere equipment. a john deere d155 parts diagram typically includes the engine, transmission, steering, electrical, and other systems. D105, d110, d125, d130, d140, d155, d160, d170. 155c (100 series). John Deere D155 Carburetor Diagram.
From wiringall.com
How to Easily Troubleshoot Your John Deere D155 Wiring Diagram John Deere D155 Carburetor Diagram find parts & diagrams for your john deere equipment. 155c (100 series) tractor with 48 inch deck. a john deere d155 parts diagram typically includes the engine, transmission, steering, electrical, and other systems. D105, d110, d125, d130, d140, d155, d160, d170. the john deere d155 parts diagram typically includes illustrations of the engine, transmission, steering system,. John Deere D155 Carburetor Diagram.